TK200
TK200
| Model | Gear Ratio | Flywheel Housing | Flywheel | Input Rating | MAX. INPUT Speed (rpm) | Input Torque (kg-m) | Oil capacity (ℓ) | Dry Weight (kg) | cooling Water Capacity (l/min) | ||||||||
|---|---|---|---|---|---|---|---|---|---|---|---|---|---|---|---|---|---|
| 1800rpm | 2100rpm | 2400rpm | |||||||||||||||
| KW | HP | PS | KW | HP | PS | KW | HP | PS | |||||||||
| TK200 | 2.0, 2.5, 3.0 | 1, 2, 3 | 11.5, 14 | 101 | 136 | 138 | 118 | 158 | 161 | 135 | 181 | 184 | 3000 | 55 | 5 | 185 | 40~60 |
Product Features
- Greater durability through change of the rubber block made of special material.
- Hydraulic clutch can be easily handled outside.
- Control system fitted for a small-size ship and high speed, Guaranteed durability.
Precautions for Use
- Align the center of engine with marine gear (For greater effectiveness and longer life-span)
- Install the supporting bracket of marine gear.
- When assembling flange on output shaft of marine gear, be sure to align other flange accurately.
- Make sure to wash flywheel housing cover if dust should accumulate.
- When installing the cable and the remote control level, check to make sure the marine gear level is smooth.
- The oil with the viscosity equivalent to SAE#30 is recommended.
- Check the oil amount of oil before sailing.
- After 100 hours of operation check the oil, and then change every 1,000 hours.
Quality Assurance
- Our products will be repaired if they are found to be defective or abnormal within one year from the date of shipment.
- However, damage due to careless use, natural disasters, etc., the cost of repair without contacting us if the parts supplied by us are not used, and the failure issued due to such repair is excluded from our warranty.
- In addition, improper use of gear capacity and damage due to abnormal use are excluded from the warranty.
- The head office is not responsible for personal injury/material damage caused by careless use.
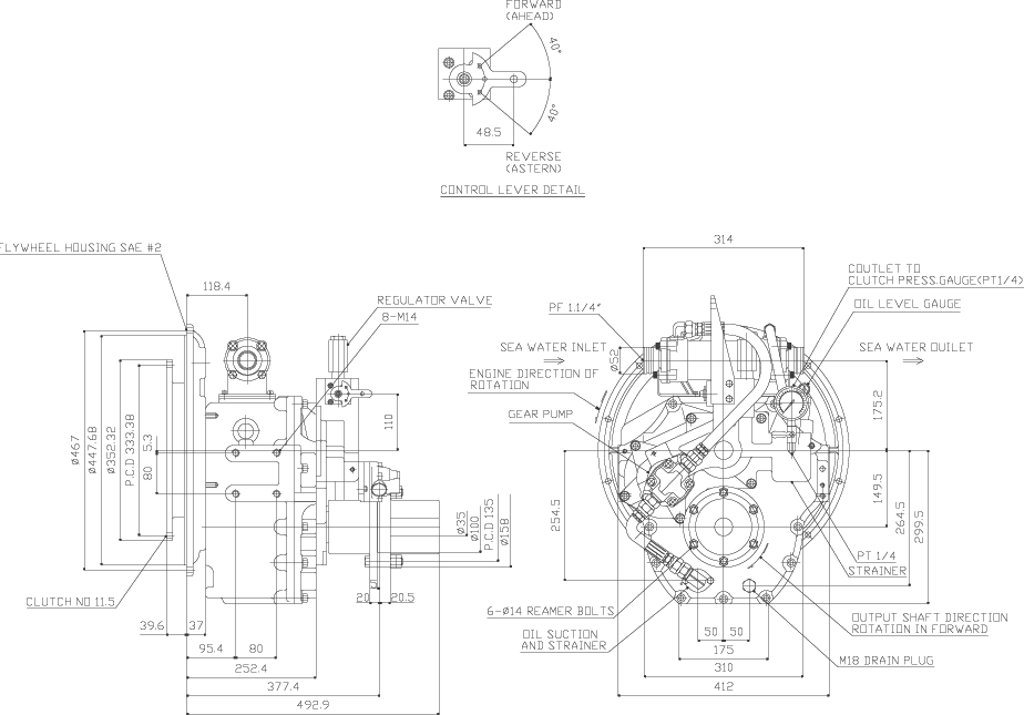
DIMENSIONS