TK250
TK250
| Model | Gear Ratio | Flywheel Housing | Flywheel | Input Rating | MAX. INPUT Speed (rpm) | Input Torque (kg-m) | Oil capacity (ℓ) | Dry Weight (kg) | cooling Water Capacity (l/min) | ||||||||
|---|---|---|---|---|---|---|---|---|---|---|---|---|---|---|---|---|---|
| 1800rpm | 2100rpm | 2400rpm | |||||||||||||||
| KW | HP | PS | KW | HP | PS | KW | HP | PS | |||||||||
| TK250 | 2.0, 2.5, 3.0 | 1, 2, 3 | 11.5, 14 | 114 | 154 | 156 | 133 | 179 | 182 | 152 | 204 | 207 | 3000 | 61.8 | 5 | 190 | 40~60 |
Product Features
- Greater durability through change of the rubber block made of special material.
- Hydraulic clutch can be easily handled outside.
- Control system fitted for a small-size ship and high speed, Guaranteed durability.
Precautions for Use
- Align the center of engine with marine gear (For greater effectiveness and longer life-span)
- Install the supporting bracket of marine gear.
- When assembling flange on output shaft of marine gear, be sure to align other flange accurately.
- Make sure to wash flywheel housing cover if dust should accumulate.
- When installing the cable and the remote control level, check to make sure the marine gear level is smooth.
- The oil with the viscosity equivalent to SAE#30 is recommended.
- Check the oil amount of oil before sailing.
- After 100 hours of operation check the oil, and then change every 1,000 hours.
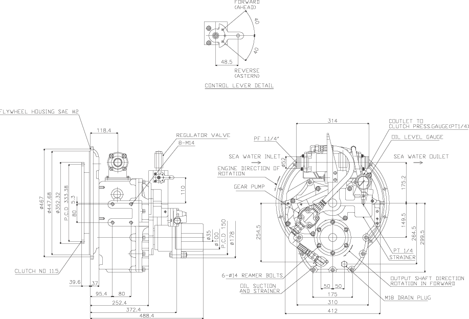
DIMENSIONS